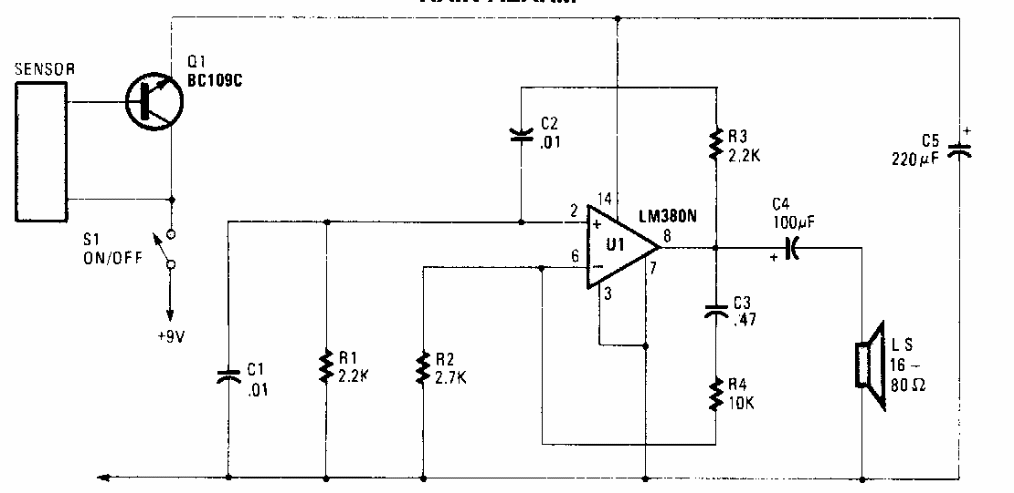
O sensor deste circuito que encontramos numa Popular Electronics pode ser formado por um pedaço de tecido entre duas telas de arame. Quando molhado o tecido deia passar a corrente entre as telas disparando o alarme.
O sensor deste circuito que encontramos numa Popular Electronics pode ser formado por um pedaço de tecido entre duas telas de arame. Quando molhado o tecido deia passar a corrente entre as telas disparando o alarme.