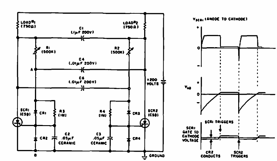
Este circuito foi sugerido por um manual da General Electric de 1967. As formas de onda dos sinais gerados são mostradas junto ao diagrama. SCRs modernos equivalentes podem ser usados.
Este circuito foi sugerido por um manual da General Electric de 1967. As formas de onda dos sinais gerados são mostradas junto ao diagrama. SCRs modernos equivalentes podem ser usados.