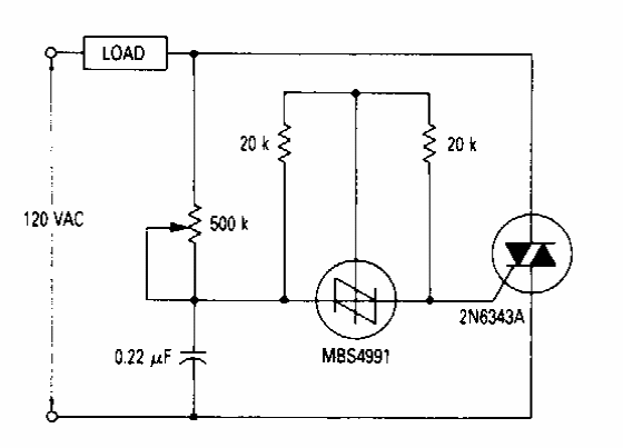
Este dimmer para lâmpadas incandescentes é um dos muitos encontrados nesta seção. Este foi obtido em documentação da Motorola dos anos 90 e faz uso de um SBS.

Este dimmer para lâmpadas incandescentes é um dos muitos encontrados nesta seção. Este foi obtido em documentação da Motorola dos anos 90 e faz uso de um SBS.
