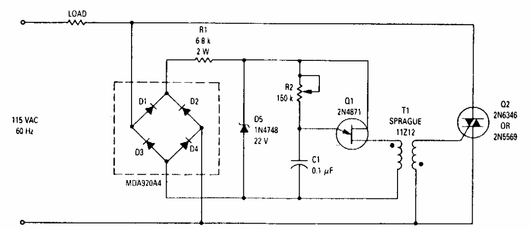
Encontrado em outros pontos desta seção, mas de outras fontes, este circuito é de uma documentação da Motorola. O circuito usa um triac da época e um transformador de disparo. O circuito é para a rede de110 V.
Encontrado em outros pontos desta seção, mas de outras fontes, este circuito é de uma documentação da Motorola. O circuito usa um triac da época e um transformador de disparo. O circuito é para a rede de110 V.