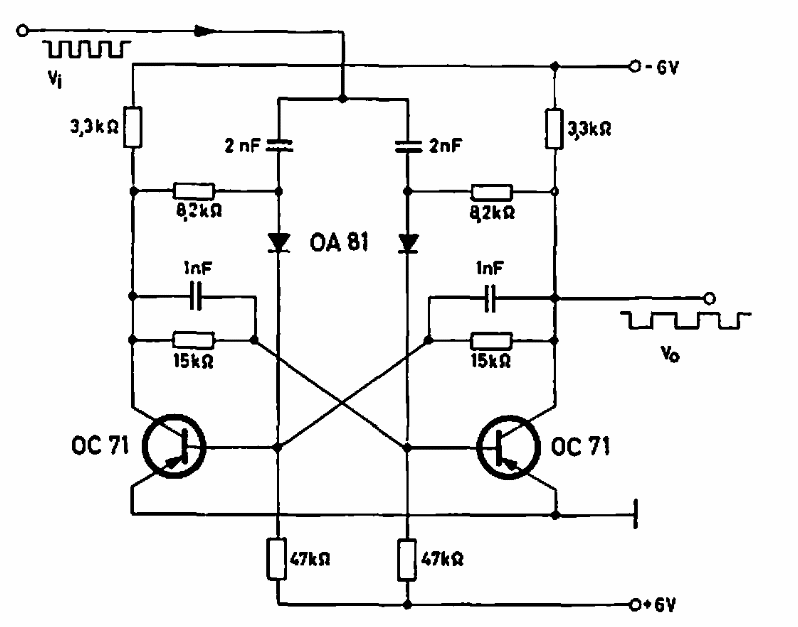
Este circuito divide a frequência de um sinal de 2 kHz por 2. O circuito foi encontrado em documentação da Philips de 1964. Transistores modernos podem ser usados para frequências mais altas.
Este circuito divide a frequência de um sinal de 2 kHz por 2. O circuito foi encontrado em documentação da Philips de 1964. Transistores modernos podem ser usados para frequências mais altas.