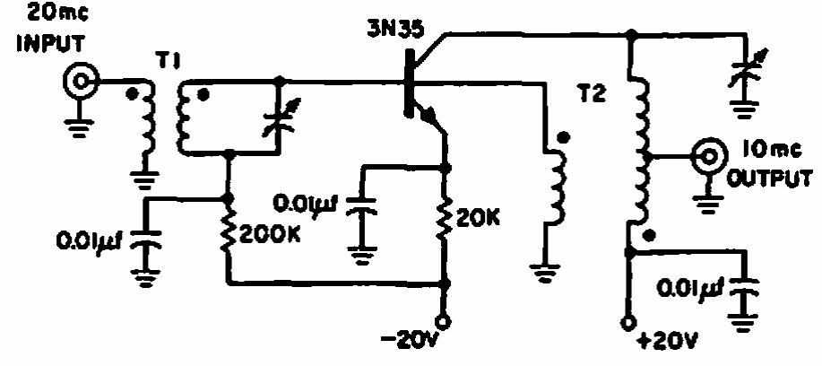
Encontramos este circuito numa Electronic Design de 1964. Ele divide por 2 a frequência de um sinal de 20 MHz. O circuito faz uso de um transistor da época. Detalhes das bobinas não foram dados.
Encontramos este circuito numa Electronic Design de 1964. Ele divide por 2 a frequência de um sinal de 20 MHz. O circuito faz uso de um transistor da época. Detalhes das bobinas não foram dados.