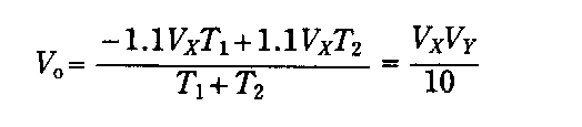
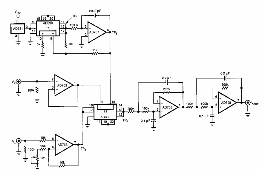
Encontrado numa EDN dos anos 90, este circuito faz uso de circuitos integrados da época, alguns pouco comuns atualmente. A saída é dada ppor:

 


 

 

Onde:

 

 


 

 


| Clique na imagem para ampliar |

 

 

 

NO YOUTUBE


NOSSO PODCAST