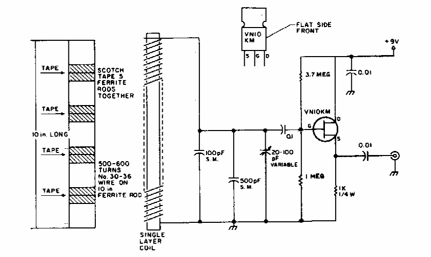
Encontrado em publicação para radioamadores dos anos 80, este circuito amplifica sinais da faixa de 60 kHz (VLF), Dados de enrolamento da antena de ferrite são fornecidos junto ao diagrama.
Encontrado em publicação para radioamadores dos anos 80, este circuito amplifica sinais da faixa de 60 kHz (VLF), Dados de enrolamento da antena de ferrite são fornecidos junto ao diagrama.