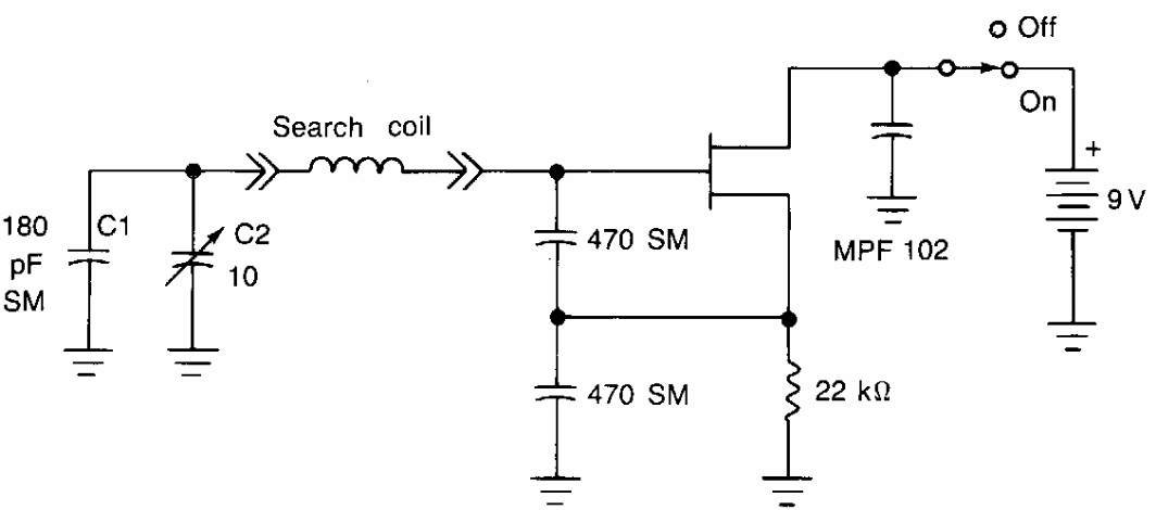
Encontrado num folheto americano dos anos 90, este circuito usa um radio AM fora de estação para monitorar o sinal detectando quando sai de frequência pela presença de metal. A bobina consiste em 20 voltas de fio 30 numa forma não metálica de 6 x 8 polegadas.
















