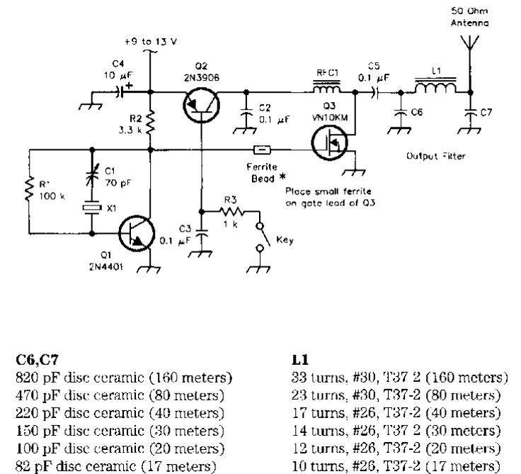
Encontrado numa revista QST dos anos 90, este circuito transmite em diversas faixas de radioamadores conforme a bobina. Dados para a bobina e o cristal são fornecidos junto ao diagrama.
Encontrado numa revista QST dos anos 90, este circuito transmite em diversas faixas de radioamadores conforme a bobina. Dados para a bobina e o cristal são fornecidos junto ao diagrama.