)

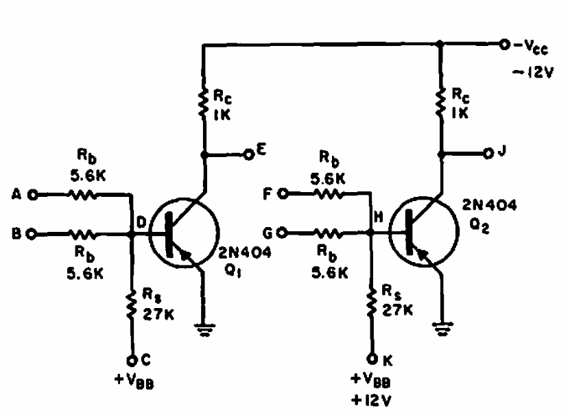
Encontrado numa Electronic Design de 1965, este circuito consiste em portas NOR podendo ser usado em multivibradores astáveis e monoestáveis.

 

 


| Clique na imagem para ampliar |

 

 

NO YOUTUBE


NOSSO PODCAST