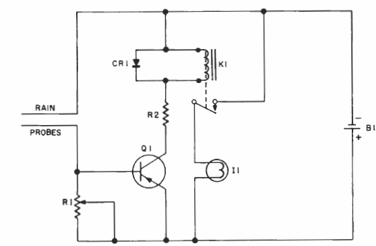
Este circuito aciona um relé quando as gotas de chuva caem no sensor. O circuito é de uma documentação da Sylvania de 1960. O relé é de acordo com a tensão da bateria.


Este circuito aciona um relé quando as gotas de chuva caem no sensor. O circuito é de uma documentação da Sylvania de 1960. O relé é de acordo com a tensão da bateria.

