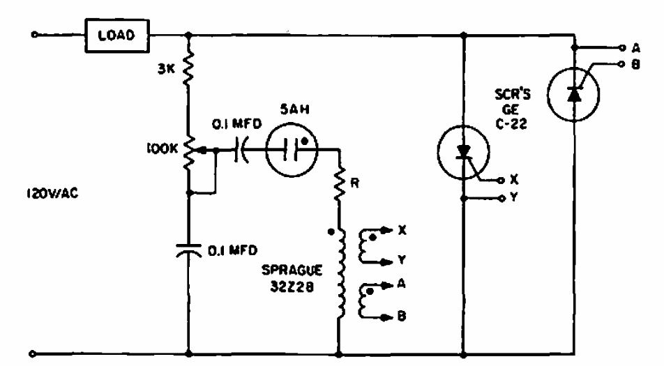
Encontrado num manual de SCRs da General Electric de 1967, este circuito usa uma lâmpada neon para produzir os pulsos de disparo de SCRs em oposição. O transformador é de tipo comercial da época.
Encontrado num manual de SCRs da General Electric de 1967, este circuito usa uma lâmpada neon para produzir os pulsos de disparo de SCRs em oposição. O transformador é de tipo comercial da época.