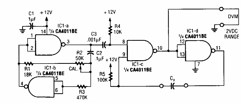
Este circuito foi encontrado numa Radio Electronics dos anos 90. Ele converte a capacitância em frequência de modo a se obter uma tensão proporcional que possa ser medida num multímetro comum.
Este circuito foi encontrado numa Radio Electronics dos anos 90. Ele converte a capacitância em frequência de modo a se obter uma tensão proporcional que possa ser medida num multímetro comum.