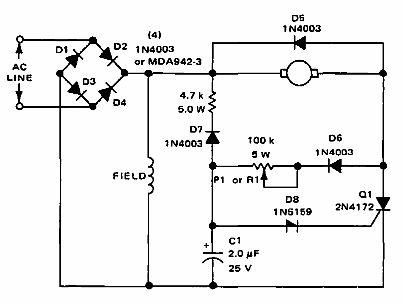
Este controle para motores de 1/15 HP com 5 000 rpm para rede de 115 V foi sugerido por um manual de circuitos da Motorola de 1968. O SCR admite equivalentes mais modernos.
Este controle para motores de 1/15 HP com 5 000 rpm para rede de 115 V foi sugerido por um manual de circuitos da Motorola de 1968. O SCR admite equivalentes mais modernos.