Controle manual de SCR CIR15267S CB8148E (CIR18238)
Detalhes
Escrito por: Newton C. Braga
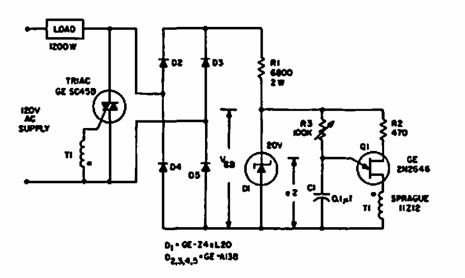
Este circuito foi encontrado num manual da General Electric de 1967. Ele mostra um controle de SCR com unijunção e diodo zener. O triac depende da carga controlada.