Controle por lanterna CIR15011S CB7890E (CIR17979)
Detalhes
Escrito por: Newton C. Braga
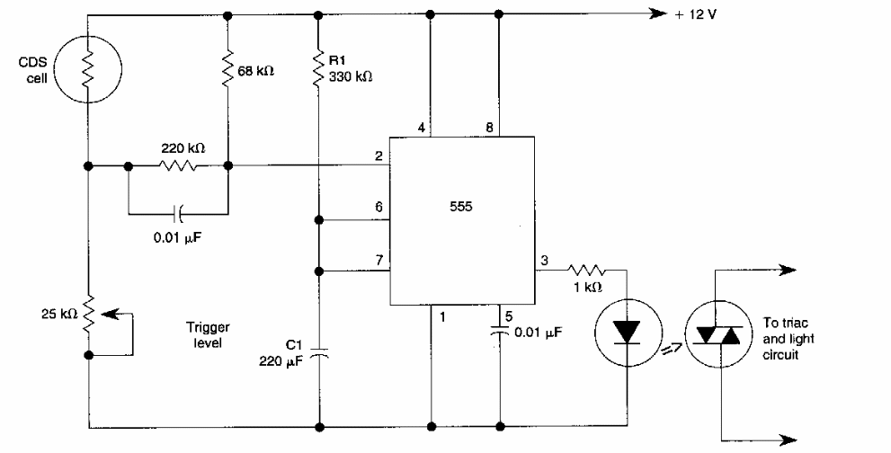
Este circuito foi encontrado numa documentação americana dos anos 90. Recursos ópticos junto ao LDR como uma lente podem ajudar na obtenção de diretividade e sensibilidade.