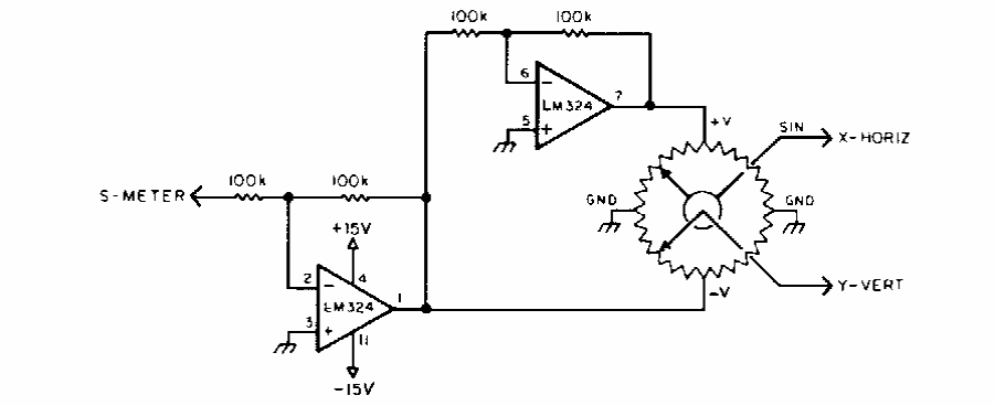
Este circuito, encontrado numa revista 73 para radioamadores, é usado em radio localização. O circuito converte padrões polares para retangulares gerando um padrão para radio localização.
Este circuito, encontrado numa revista 73 para radioamadores, é usado em radio localização. O circuito converte padrões polares para retangulares gerando um padrão para radio localização.