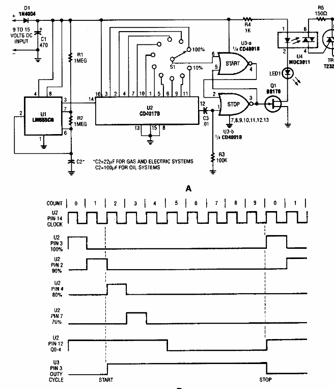
Este circuito sequencial com acoplador óptico foi encontrado numa Popular Electronics dos anos 90 para acionar o sistema exaustor de um forno, ligando o regularmente. O circuito pode ser modificado para outras aplicações.
Este circuito sequencial com acoplador óptico foi encontrado numa Popular Electronics dos anos 90 para acionar o sistema exaustor de um forno, ligando o regularmente. O circuito pode ser modificado para outras aplicações.