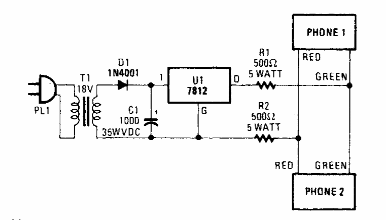
Com este circuito é possível usar um par de telefones antigos num sistema de comunicação por fio. O circuito é de uma Popular Electronics dos anos 90. O regulador deve ter um pequeno dissipador.
Com este circuito é possível usar um par de telefones antigos num sistema de comunicação por fio. O circuito é de uma Popular Electronics dos anos 90. O regulador deve ter um pequeno dissipador.