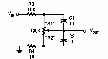
Encontrado num Electronics Hobbyst Handbook de 1993, este circuito passivo pode ser usado com preamplificadores e amplificadores comuns.

Encontrado num Electronics Hobbyst Handbook de 1993, este circuito passivo pode ser usado com preamplificadores e amplificadores comuns.
