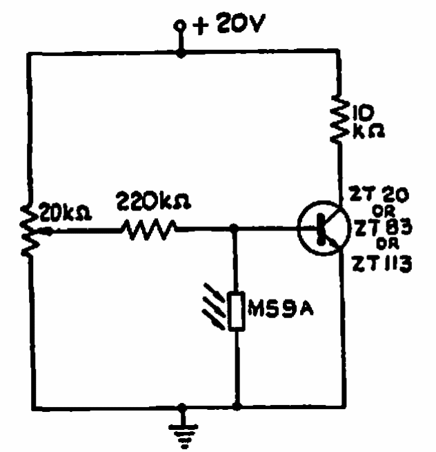
Este circuito foi encontrado numa documentação da Ferranti de 1967. Ele leva o transistor à condução quando a luz é cortada no sensor. Transistores equivalentes modernos podem ser usados.

Este circuito foi encontrado numa documentação da Ferranti de 1967. Ele leva o transistor à condução quando a luz é cortada no sensor. Transistores equivalentes modernos podem ser usados.
