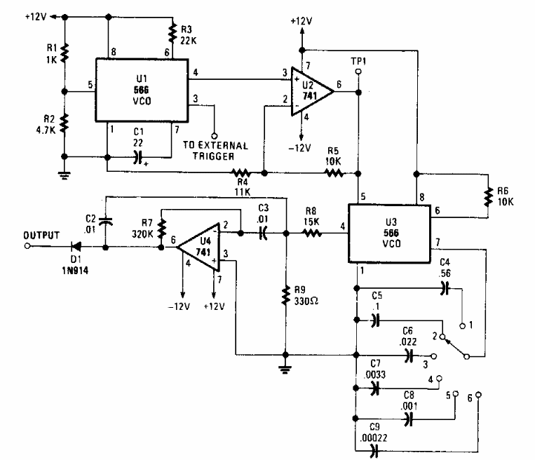
Encontrado numa Popular Electronics dos anos 90, este circuito é intercalado entre o filtro e entrada do osciloscópio para análise.

 


| Clique na imagem para ampliar |

 

 

 

NO YOUTUBE


NOSSO PODCAST