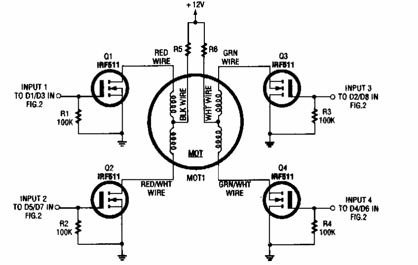
Encontrado numa Popular Electronics dos anos 90, este circuito faz uso de MOSFETs de potência. Podem ser usados MOSFETs equivalentes. O circuito funciona como um shield.
Encontrado numa Popular Electronics dos anos 90, este circuito faz uso de MOSFETs de potência. Podem ser usados MOSFETs equivalentes. O circuito funciona como um shield.