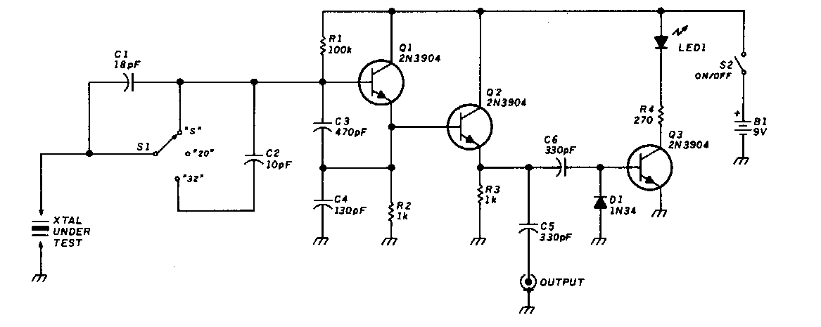
Este provador de cristais foi encontrado numa Ham Radio dos anos 90. Os transistores são de uso geral. O circuito serve para teste de cristais de 2 a 20 MHz.

 


| Clique na imagem para ampliar |

 

 

 

NO YOUTUBE


NOSSO PODCAST