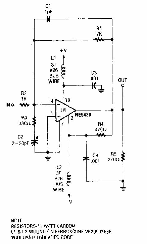
Este circuito é de uma Popular Electronics dos anos 90. O circuito integrado é da época. A disposição dos componentes numa placa é crítica.

Este circuito é de uma Popular Electronics dos anos 90. O circuito integrado é da época. A disposição dos componentes numa placa é crítica.
