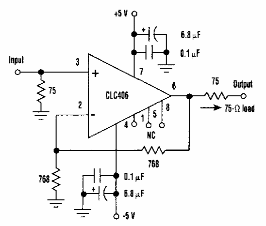
Este circuito foi obtido numa Electronic Design dos anos 90. O circuito tem um ganho de tensão de 2 vezes sendo plano numa faixa que se estende até os 30 MHz.

Este circuito foi obtido numa Electronic Design dos anos 90. O circuito tem um ganho de tensão de 2 vezes sendo plano numa faixa que se estende até os 30 MHz.
