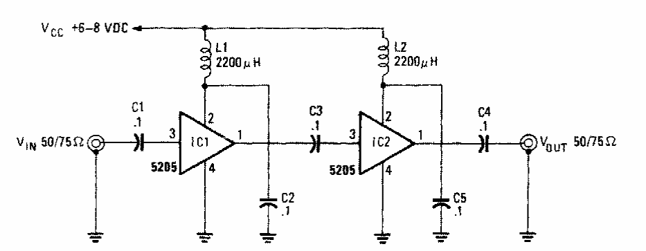
Encontrado num R-E Experimenter Handbook dos anos 90, este circuito tem um ganho maior que o anterior por apresentar duas etapas. O circuito integrado usado é pouco comum atualmente.
Encontrado num R-E Experimenter Handbook dos anos 90, este circuito tem um ganho maior que o anterior por apresentar duas etapas. O circuito integrado usado é pouco comum atualmente.