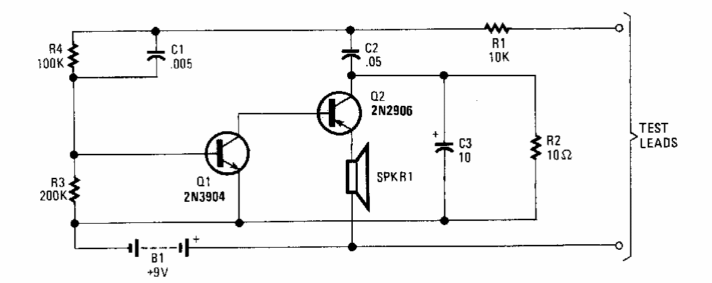
Teste de continuidade CIR15334S CB8214E (CIR18304)
Detalhes
Escrito por: Newton C. Braga
Encontrado numa Popular Electronics dos anos 90, este circuito usa transistores comuns de uso geral em configuração bastante explorada neste site e em nossos artigos.