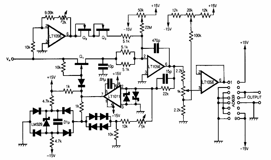
VCO linear de 3 Hz a 300 kHz CIR15773S CB8744E (CIR18737)
Detalhes
Escrito por: Newton C. Braga
Este circuito foi encontrado numa Electronic Engineering dos anos 90. Os circuitos integrados são da época e os diodos de uso geral. O sinal gerado é senoidal.