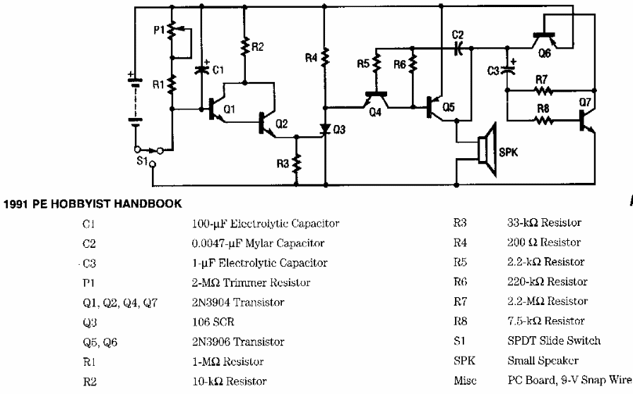
Encontrado numa PE Hobbyst Handbook de 1991 este circuito aciona um oscilador que desativa no final do tempo programado. Os transistores são de uso geral.

 


| Clique na imagem para ampliar |

 

 

 

NO YOUTUBE


NOSSO PODCAST