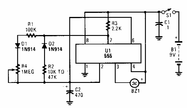
Indicado para aplicações duplas, este timer foi encontrado numa Popular Electronics dos anos 90. O circuito aciona um buzzer com oscilador.

Indicado para aplicações duplas, este timer foi encontrado numa Popular Electronics dos anos 90. O circuito aciona um buzzer com oscilador.
