Controle de tom e preamplificador CIR15635S CB8506E (CIR18598)
Detalhes
Escrito por: Newton C. Braga
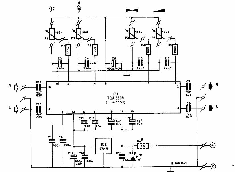
Baseado no TCA6600 ou TCA5500 este circuito foi encontrado numa documentação europeia dos anos 90. O circuito integrado usado não é muito comum atualmente.