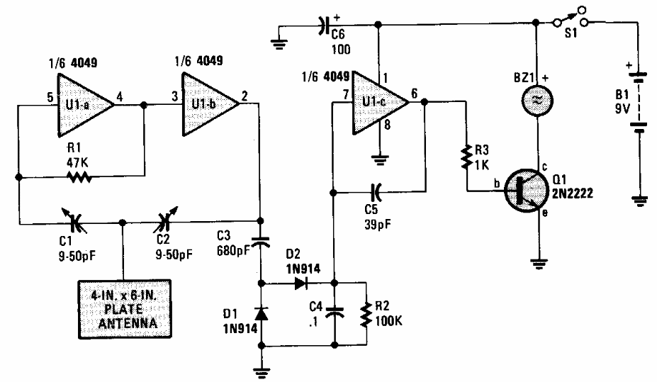
Este circuito, que está presente em ouros pontos deste site, foi encontrado numa Hands On Electronics dos anos 90. O circuito aciona um buzzer com oscilador.

 

 


| Clique na imagem para ampliar |

 

 

 

NO YOUTUBE


NOSSO PODCAST