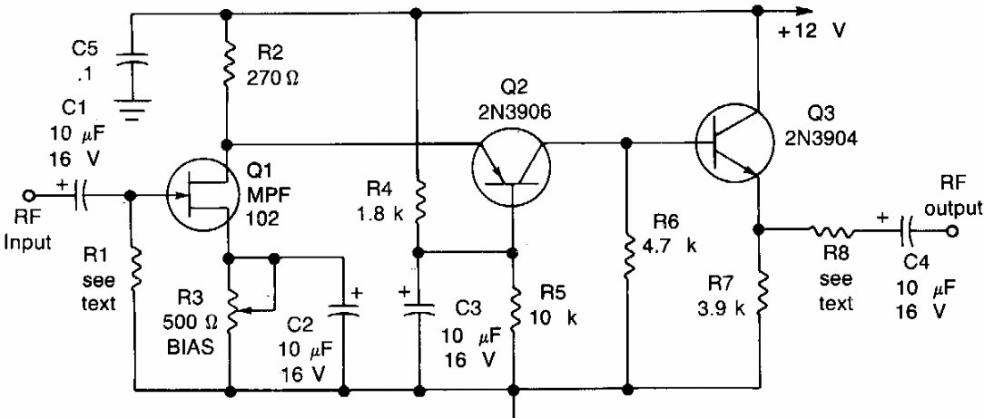
Este circuito responde a frequências de 100 Hz a 3 MHz. Encontramos numa Radio Electronics dos anos 90. Os transistores são de uso geral.

 


| Clique na imagem para ampliar |

 

 

 

NO YOUTUBE


NOSSO PODCAST