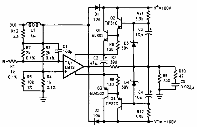
Com base em amplificadores operacionais de potência da National semiconductor, pouco comuns atualmente, este circuito fornece elevada capacidade de corrente em sua saída a partir de alimentação de 100 V.

Com base em amplificadores operacionais de potência da National semiconductor, pouco comuns atualmente, este circuito fornece elevada capacidade de corrente em sua saída a partir de alimentação de 100 V.
