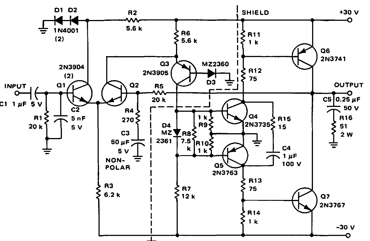
Amplificador de 10 W para servo CIR16034S CB8949E (CIR19007)
Detalhes
Escrito por: Newton C. Braga
Este circuito foi encontrado em documentação da Motorola dos anos 60. Os transistores são tipos da época, podendo ser substituídos por equivalentes modernos.