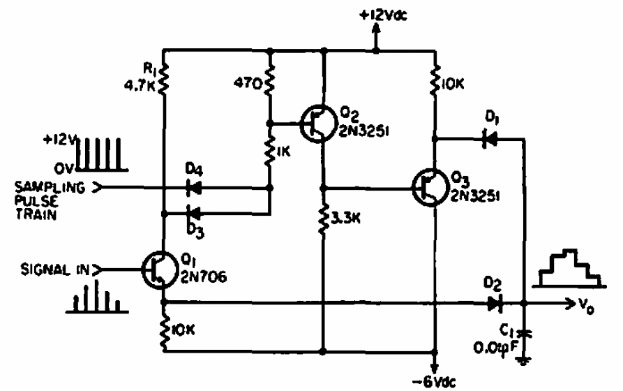
Este circuito foi encontrado numa EEE de 1966. Os transistores admitem equivalentes modernos e as formas de onda são dadas junto ao diagrama.

 


| Clique na imagem para ampliar |

 

 

 

NO YOUTUBE


NOSSO PODCAST