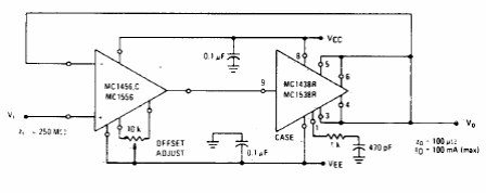
Este circuito de alta impedância de entrada e alta corrente de saída foi encontrado em documentação da Motorola dos anos 70. O circuito faz uso de componentes pouco comuns atualmente.

Este circuito de alta impedância de entrada e alta corrente de saída foi encontrado em documentação da Motorola dos anos 70. O circuito faz uso de componentes pouco comuns atualmente.
