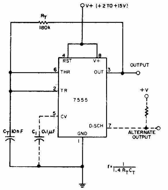
Encontrado numa Electronic Design dos anos 80, este circuito gera um sinal de 500 Hz, podendo funcionar como shield.

 


 

 

 

NO YOUTUBE


NOSSO PODCAST