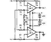
Sugerido pela National Semiconductor numa documentação dos anos 90, este circuito utiliza um amplificador operacional de potência, pouco comum em nossos dias.

Sugerido pela National Semiconductor numa documentação dos anos 90, este circuito utiliza um amplificador operacional de potência, pouco comum em nossos dias.
