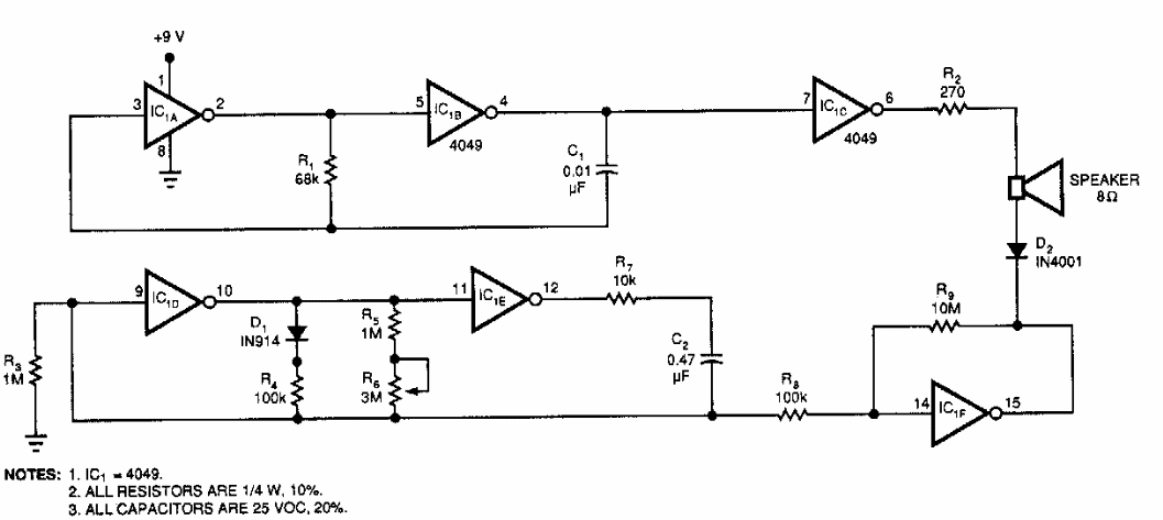
Este circuito de efeito sonoro usa apenas um integrado. Encontramos numa EDN dos anos 90. Os efeitos podem ser modificados com a troca dos componentes.

 


| Clique na imagem para ampliar |

 

 

NO YOUTUBE


NOSSO PODCAST