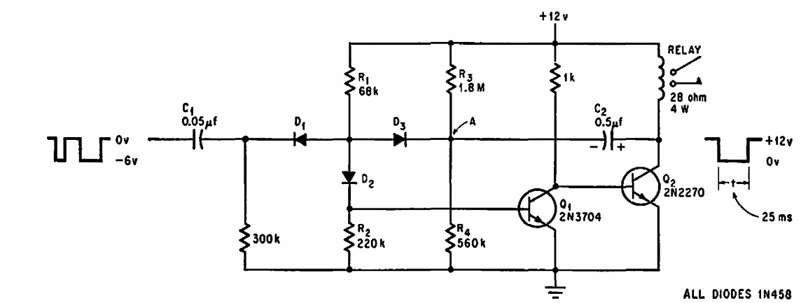
Encontrado numa documentação americana de 1967, este circuito aumenta a duração de um pulso aplicado a sua entrada. O circuito é usado no acionamento de um relé.

 


| Clique na imagem para ampliar |

 

 

NO YOUTUBE


NOSSO PODCAST