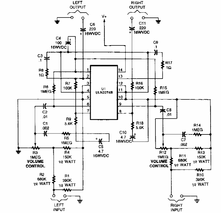
Este circuito foi encontrado numa Popular Electronics dos anos 90. O circuito integrado usado é pouco comum atualmente. A potência é da ordem de 2 W.

 

 


| Clique na imagem para ampliar |

 

 

 

NO YOUTUBE


NOSSO PODCAST