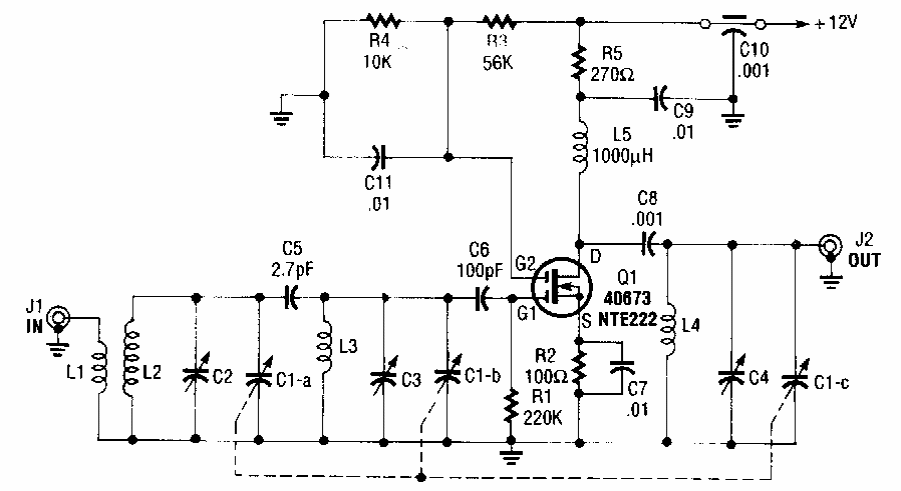
Este circuito para MOSFET de dupla comporta foi encontrado numa Popular Electronics dos anos 90. As bobinas são de acordo com a faixa de frequências que deve ser amplificada.
Este circuito para MOSFET de dupla comporta foi encontrado numa Popular Electronics dos anos 90. As bobinas são de acordo com a faixa de frequências que deve ser amplificada.