Bootstrap com capacitor CIR16024S CB8939E (CIR18997)
Detalhes
Escrito por: Newton C. Braga
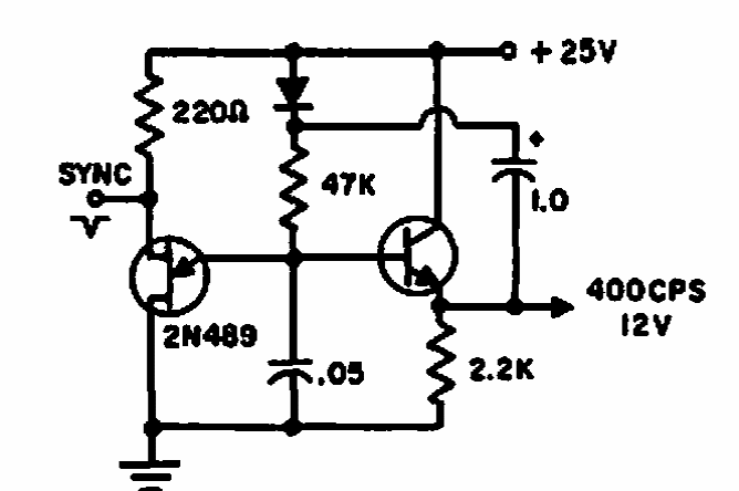
Encontramos este circuito numa documentação da General Electric de 1965. O circuito gera pulsos de 400 Hz sincronizados. Podem ser testados componentes modernos.