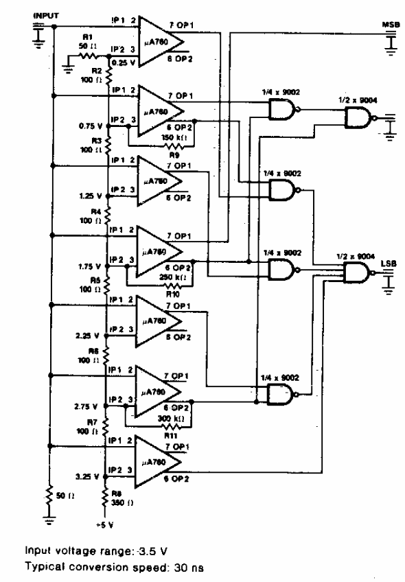
Este conversor rápido usando operacionais foi encontrado numa documentação americana dos anos 70. O circuito pode ser implementado com componentes equivalentes.

Este conversor rápido usando operacionais foi encontrado numa documentação americana dos anos 70. O circuito pode ser implementado com componentes equivalentes.
