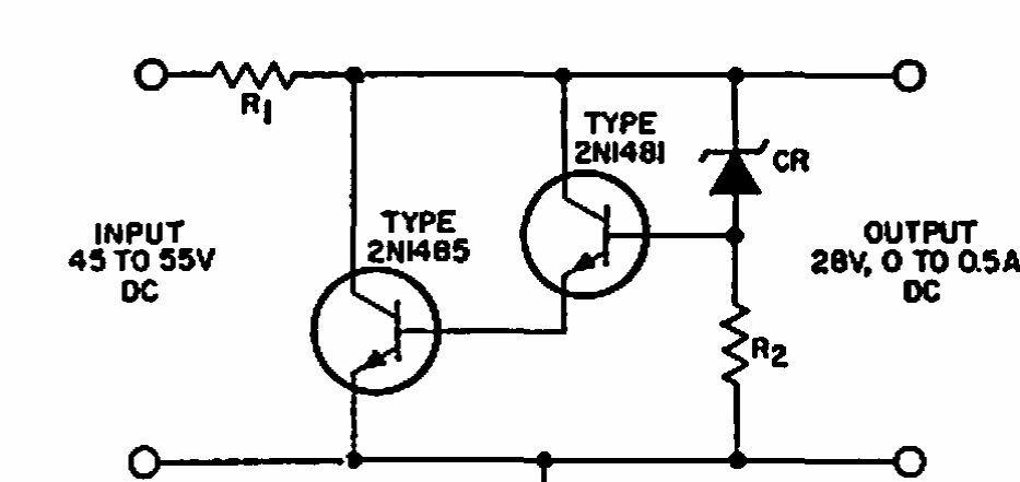
Encontrado num manual da RCA dos anos 60, este circuito usa componentes da época. Para o circuito indicado R1 é de 28 ohms e R2 de 1 k.

 


| Clique na imagem para ampliar |

 

 

 

NO YOUTUBE


NOSSO PODCAST