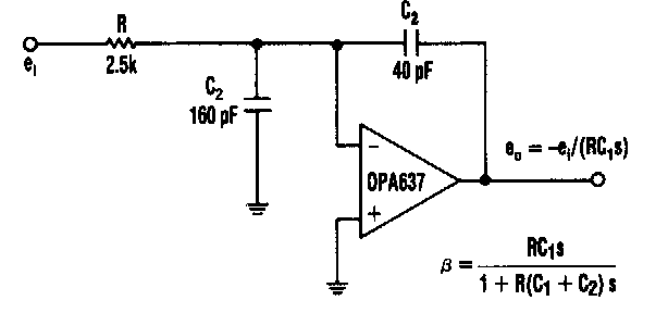
Encontramos este circuito numa Electronic Design dos anos 90. Através de um capacitor ele consegue aumentar a taxa de crescimento de um sinal, conforme a fórmula ao lado do diagrama.

Encontramos este circuito numa Electronic Design dos anos 90. Através de um capacitor ele consegue aumentar a taxa de crescimento de um sinal, conforme a fórmula ao lado do diagrama.
