Transmissor de 3 integrados CIR16481S CB9397E (CIR19453)
Detalhes
Escrito por: Newton C. Braga
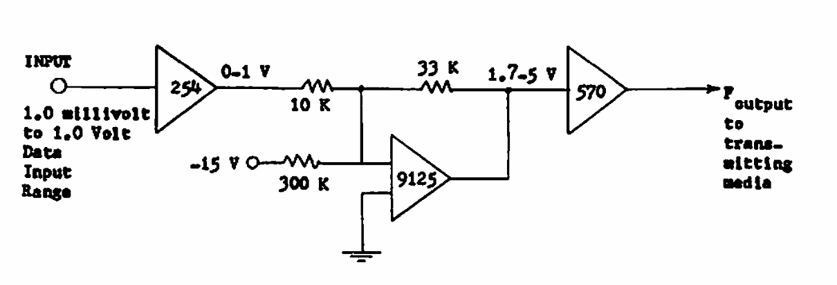
Encontrado em documentação da RCA dos anos 70, este circuito usa circuitos integrados pouco comuns atualmente. O circuito é do tipo experimental não sintonizado.